相關資訊
咨詢熱線:
0513-88602618
傳真:0513-88600216
郵編: 226661
郵箱: hahyjd@126.com
hyjd868@pub.nt.jsinfo.net
地址: 江蘇海安曲塘工業(yè)園區(qū)建設路3號
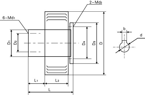
CJKX-型空心軸外殼旋轉式磁粉離合器


| 型號 | 技術參數 | 安 裝 尺 寸 | |||||||||||||
| 額定轉矩 N.m |
激磁電流 a |
允許滑差功率W | L | L1 | L2 | D | D 1 | D2 | D3 | D4 | d | d1 | d2 | b | |
| CJKX- 1.2 | 12 | 1.6 | 180 | 110 | 28 | 82 | 160 | 80 | 68 | 18 | 6 | 5 | |||
| CJKX- 2.5 | 25 | 1.6 | 30 0 | 120 | 36 | 70 | 196 | 90 | 80 | 128 | 80 | 20 | 6 | 6 | 6 |
| CJKX-5 | 50 | 2 | 600 | 150 | 50 | 84 | 230 | 110 | 95 | 150 | 95 | 30 | 8 | 8 | 8 |
| CJKX-10 | 100 | 2.5 | 800 | 185 | 55 | 110 | 280 | 125 | 110 | 180 | 110 | 35 | 10 | 10 | 10 |
| CJKX-20 | 200 | 3 | 1000 | 240 | 70 | 148 | 346 | 160 | 140 | 230 | 140 | 45 | 10 | 10 | 14 |
磁粉制動器
推薦產品








